首页
关于长晶
发展历程
企业介绍
加入长晶
新闻中心
产品中心
安博在线登录官网-安博(中国)
三极管
MOSFET
IC产品
IGBT
IPM
第三代半导体
汽车电子
其他
应用领域
质量体系
质量方针
体系证书
环境物质检测报告
安博在线登录官网-安博(中国)
EN
EN
首页
>>
产品中心
>>
MOSFET
>>
Planar MOS
>>
搜索
Planar MOS
Part Number
Download
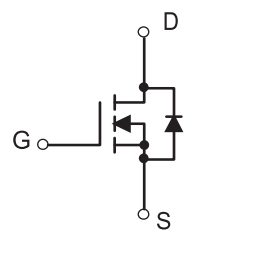
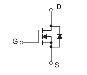
Circuit
Status
Type
Process
ESD
Yes/No
VDS
V
VGS
V
ID
A
VGS(TH)
V
RDS(mΩ)@VGS
10V Typ
RDS(mΩ)@VGS
10V Max
RDS(mΩ)@VGS
4.5V Typ
RDS(mΩ)@VGS
4.5V Max
Package
Reset
Reset All
Active
OK
Reset
Single-N
OK
Reset
Planar
OK
Reset
No
OK
Reset
OK
Reset
±30
OK
Reset
OK
Reset
2~4
3
3.1
3.4
3~5
OK
Reset
OK
Reset
OK
Reset
TO-220-3L
TO-220F
TO-220F-B
TO-251S
TO-252-2L
OK
Reset
CJU05N60M1D
Active
Single-N
Planar
No
600
±30
5
3~5
1600
2150
-
-
TO-252-2L
CJPF12N65M1
Active
Single-N
Planar
No
650
±30
12
2~4
670
800
-
-
TO-220F-B
CJP12N65M1
Active
Single-N
Planar
No
650
±30
12
2~4
670
800
-
-
TO-220-3L
CJPF10N50M1
Active
Single-N
Planar
No
500
±30
10
2~4
410
680
-
-
TO-220F-B
CJU07N50M1
Active
Single-N
Planar
No
500
±30
7
2~4
1100
1300
-
-
TO-252-2L
CJU04N50M1
Active
Single-N
Planar
No
500
±30
4
2~4
1200
1500
-
-
TO-252-2L
CJU02N50M1
Active
Single-N
Planar
No
500
±30
2
2~4
4200
5500
-
-
TO-252-2L
CJPF10N80M1
Active
Single-N
Planar
No
800
±30
10
2~4
850
1150
-
-
TO-220F-B
CJPF07N80M1
Active
Single-N
Planar
No
800
±30
7
2~4
1200
1800
-
-
TO-220F-B
CJPF04N65M1
Active
Single-N
Planar
No
650
±30
4
2~4
2100
2600
-
-
TO-220F-B
CJP07N50M1
Active
Single-N
Planar
No
500
±30
7
2~4
600
800
-
-
TO-220-3L
CJP04N50M1
Active
Single-N
Planar
No
500
±30
4
2~4
1200
1500
-
-
TO-220-3L
CJP03N90M1
Active
Single-N
Planar
No
900
±30
3
2~4
4800
5500
-
-
TO-220-3L
CJU04N65M1E
Active
Single-N
Planar
No
650
±30
4
2~4
2000
2600
-
-
TO-252-2L
CJPF10N65M1E
Active
Single-N
Planar
No
650
±30
10
2~4
820
1000
-
-
TO-220F-B
CJPF10N65M1
Active
Single-N
Planar
No
650
±30
10
2~4
820
1000
-
-
TO-220F-B
CJPF07N65M1E
Active
Single-N
Planar
No
650
±30
7
2~4
1000
1500
-
-
TO-220F-B
CJP10N65M1E
Active
Single-N
Planar
No
650
±30
10
2~4
820
1000
-
-
TO-220-3L
CJP07N65M1E
Active
Single-N
Planar
No
650
±30
7
2~4
1000
1500
-
-
TO-220-3L
CJPF07N65M1
Active
Single-N
Planar
No
650
±30
7
3.1
1000
-
-
-
TO-220F-B
«
1
2
»
导出Excel