首页>> 产品中心>> MOSFET>> SGT MOS>>

SGT MOS
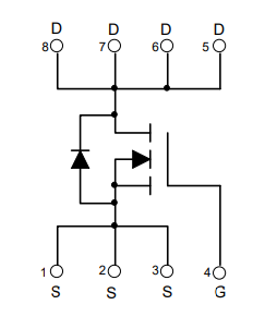
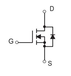
Part Number Download Circuit Status Type Process

ESD

Yes/No

VDS

V

VGS

V

ID

A

VGS(TH)

V

RDS(mΩ)@VGS

10V Typ

RDS(mΩ)@VGS

10V Max

RDS(mΩ)@VGS

4.5V Typ

RDS(mΩ)@VGS

4.5V Max

Package
Active
Single-N
SGT
No
+20 /-12
+20/-12
±12
±20
±20V
1.1~1.9
1.1~2.0
1.2~2.2
1.2~2.4
1.2~2.5
1.2~2.2
1.2~2.5
1.3~2.2
1.3~2.3
1.3~2.5
1.3~2.3
1.3~2.5
1.4~2.4
1.4~2.5
1.4~2.4
1.5~2.5
1.5~2.5
1~2
1~2.5
1~3
1~2.5
2.0~4.0
2.0~3.2
2.0~3.5
2.0~4.0
2.4~3.8
2~4
2~4
DFNWB2x2-6L
DFNWB3x3-8L
PDFNWB3.3x3.3-8L
PDFNWB5x6-8L
PDFNWB5x6-8L-F
SOP8
TO-220-3L-C
TO-220F
TO-251S
TO-252-2L
TO-263-2L
TOLL-8L
CJAB6R0SN04AL

Active
Single-N
SGT
No
40
±20
90
1.5~2.5
4.1
5.5
7.3
10
PDFNWB3.3x3.3-8L
CJAC3R6SN10AH

Active
Single-N
SGT
No
100
±20
180
2.4~3.8
3
3.6


PDFNWB5x6-8L-F
CJQ014SN06AL

Active
Single-N
SGT
No
60
±20
12
1.3~2.5
9.4
11.5
13.3
16.5
SOP8
CJAC5R0SN06AL

Active
Single-N
SGT
No
60
±20
98
1.3~2.3
3.8
5
5.2
7.6
PDFNWB5x6-8L
CJAC6R0SN10AL

Active
Single-N
SGT
No
100
±20
95
1.4~2.4
4.6
6
6.5
8.6
PDFNWB5x6-8L
CJAC75SN10L

Active
Single-N
SGT
No
100
±20
75
1.4~2.5
9.4
12
12.4
16
PDFNWB5x6-8L
CJQ9R9SN065AL

Active
Single-N
SGT
No
65
±20
11
1.3~2.5
7.5
9.9
9.7
15
SOP8
CJQ10SN15S

Active
Single-N
SGT
No
150
±20
10
2~4
40
52
-
-
SOP8
CJAB30SN10H

Active
Single-N
SGT
No
100
±20
30
2~4
14
17.5
-
-
PDFNWB3.3x3.3-8L
CJD65SN10H

Active
Single-N
SGT
No
100
±20
65
2~4
11
13.6
-
-
TO-251S
CJAE9R0SN06AL

Active
Single-N
SGT
No
60
±20
50
1.3~2.5
7
9
10
13
DFNWB3x3-8L
CJB120SN08H

Active
Single-N
SGT
No
85
±20
120
2~4
5.1
6.1
-
-
TO-263-2L
CJP180SN10

Active
Single-N
SGT
No
100
±20
180
2~4
2.5
3
-
-
TO-220-3L-C
CJP150SN10

Active
Single-N
SGT
No
100
±20
150
1.5~2.5
3.2
3.9
4.5
6.5
TO-220-3L-C
CJAC50SN03

Active
Single-N
SGT
No
30
±20
50
1~2.5
3.8
4.95
5.5
7.2
PDFNWB5x6-8L
CJAC40SN10L

Active
Single-N
SGT
No
100
±20
40
1.4~2.4
13
16
18
25
PDFNWB5x6-8L
CJB3R0SN10B

Active
Single-N
SGT
No
100
±20
180
2~4
2.5
3
-
-
TO-263-2L
CJB3R9SN10B

Active
Single-N
SGT
No
100
±20
150
1.5~2.5
3.3
3.9
4.5
6.5
TO-263-2L
CJAC2R5SN04C

Active
Single-N
SGT
No
40
±20
130
1~2.5
2
2.5
3
4.5
PDFNWB5x6-8L
CJAB3R9SN04C

Active
Single-N
SGT
No
40
±20
70
1~2.5
3
3.9
4.3
6.5
PDFNWB3.3x3.3-8L